ASRD 205.37, 3x100/1A; 1VA; 1%

ASRD 205.37 - Třífázový měřicí transformátor proudu

Třífázový transformátor proudu

  • Jmenovitý primární proud: 100 až 250 A
  • Sekundární proud: 5 nebo 1
  • Třída přesnosti: 1
  • Jmenovitý trvalý tepelný proud Icth: 1.0 x IN
  • Jmenovitý krátkodobý tepelný proud Ith: 60 x IN, 1 sec.
  • Maximální provozní napětí Um: 0.72 kV
  • Zkušební izolační napětí: 3 kV, Ueff, 50 Hz, 1 min.
  • Jmenovitý kmitočet: 50 Hz
  • Třída izolace: E
  • Nadproudové číslo FS uvedeno na štítku transformátoru.
  • Provozní / skladovací teplota: -5 °C < T < +40 °C / -25 °C < T < +70 °C
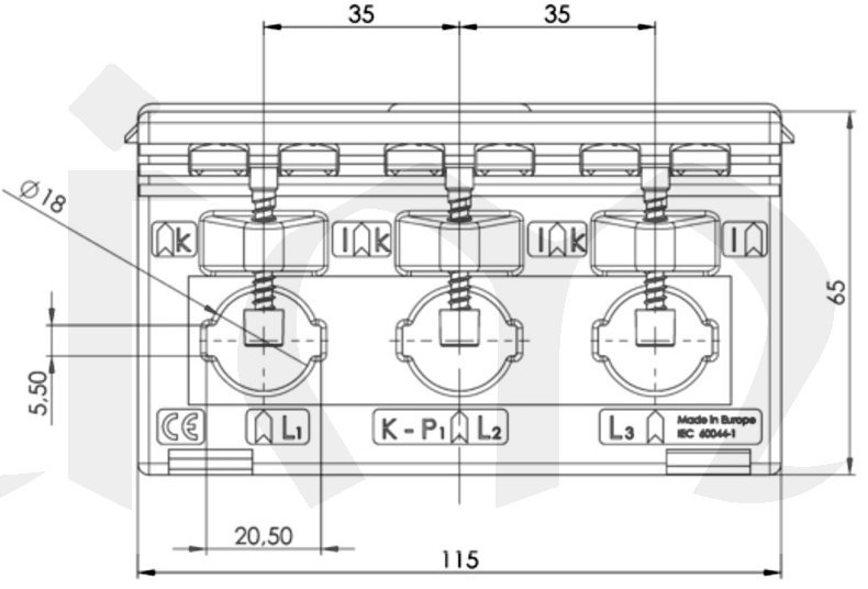
  • Rozměry pouzdra (š x v x h): 115 x 65 x 37 mm
  • Primární vodič plochý / kulatý: 20x5 mm / Ø18 mm
  • Rozteč mezi středy fází: 35 mm

Parametry výrobku:

Typ proudového transformátoru ASRD 205.37
Primární proud trafa 100 A
Výkon 1 VA
Sekundární proud trafa 1 A
Otvory pro průvlek 3xpr.18 mm
Třída přesnosti trafa 1 %
Otvor pro pásovinu 3x20x5 mm
Kód výrobce D205-020
Ke stažení: Popis_mericich_transformatoru_proudu.html
Spotreba_vedeni_k_trafu.pdf
Cena: 1485 Kč (bez DPH)
Cena: 1797 Kč včetně DPH 21 %
Do košíku

Id: 9222,