Stonkový tlakový teploměr

Tlakové teploměry jsou určené pro měření teploty plynných, kapalných případně sypkých médií v agresivních a neagresivních prostředích. Jsou vhoné pro použití v chemickém průmyslu, energetice, potravinářství, vzduchotechnice...
Celonerezové provedení.
Jdou vyrobit s měřícími rozsahy od -150°C...+700°C

Princip činnosti:
Teploměry jsou naplněny stalčeným ekologicky nezávadným plynem, který vlivem teploty mění svůj objem. Toto změna je pomocí převodového mechanismu přenášena na ukazovatel teploměru, kde na číselníku lze odečíst měřenou teplotu.

Provedení:
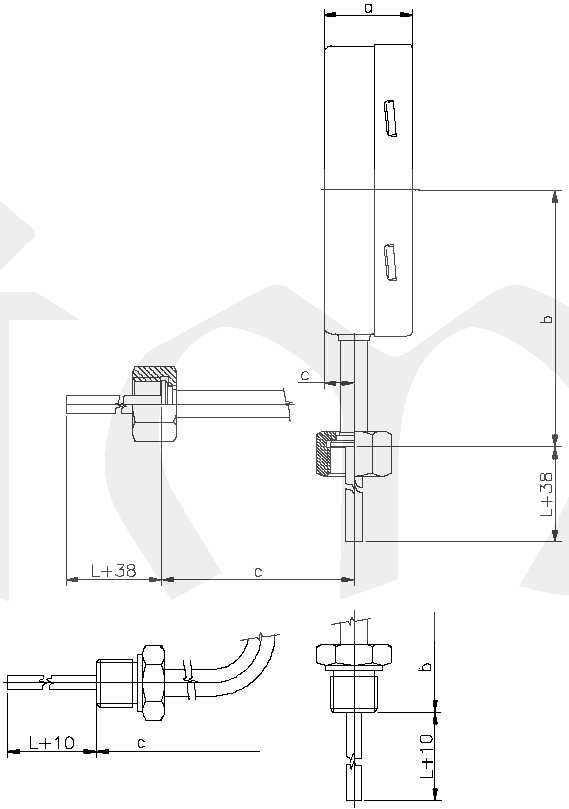
» s kapilárou až do délky 15m; průměr čidla 8,10,12,15mm; připojení s ořechem (M20x1.5, G1/2", G3/4", M27x2 atd..) nebo převlečnou maticí (M27x2, M30x2, M33x2, G3/4", G1" atd...)
» s pevnou stopkou, vyvedení ve směru - spodní, zadní, zahnutý dozadu, zahnutý do strany;  připojení holý stonek nebo s ořechem (M20x1.5, G1/2", G3/4", M27x2 atd..) nebo převlečnou maticí (M27x2, M30x2, M33x2, G3/4" atd...); průměr stonku 6,8,10,12,15mm
» ke všem provedením je možné na objednávku:
   - plnění glycerinem nebo silikonem
   - atypická případně jiná stupnice
   - přední nebo zadní příruba
   - el. kontakty v provedení min/max; max/max; min/min

» Tabulka pro výběr Vaší specifikace tlakového kapilárního teploměru  <-- zde

 

Parametry výrobku:

Ke stažení: Tlakove_stonkove_teplomery_EXIMUS.pdf
Cena: Na dotaz!
Do košíku

Volitelné příslušenství

Id: 11883,