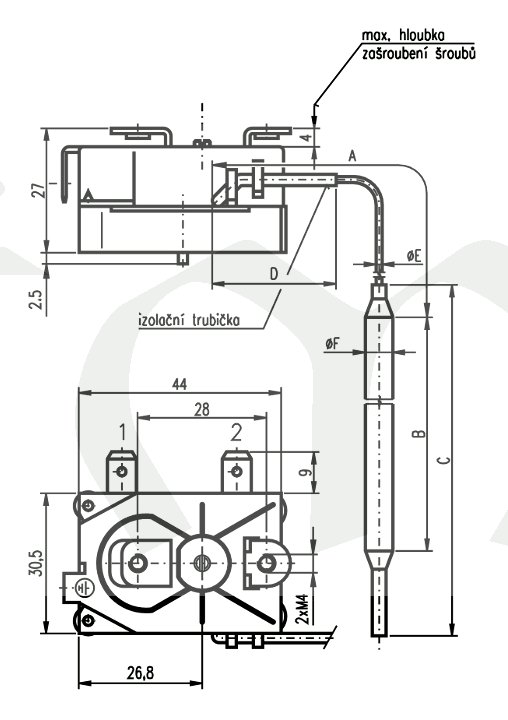
Jednopólová pojistka KNTP8814.02, pevně nastavená teplota vypnutí z rozsahu +50..+320°C,
nutno upřesnit požadovanou teplotu (nastavuje se ve výrobě),
uvedená cena je bez nastavení, za nastavení se připočítává +50Kč/ks při odběru nižším než 100ks současně.
