Posuvné kuželové hrdlo ocel chromovaná

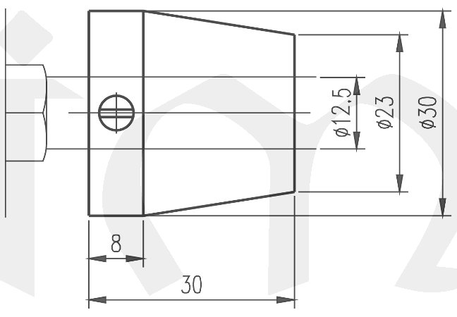
Posuvné kuželové hrdlo je určeno jako příslušenství k montáži a upevnění teploměru při jeho zástavbě. Kuželové hrdlo se upevní kuželem do otvoru v místě zástavby.

Posuvná hrdla jsou vyrobena z oceli. Jejich povrchová úprava může být provedena zinkováním modrým chromátem nebo chromováním. Stonek teploměru je při instalaci zasunut do hrdla a zajištěn stavěcím šroubem M5x8.

vnitřní průměr: ?d = 12,5 mm pro teploměry nad 400mm délky stonku

Parametry výrobku:

Materiál jímky ocel chromovaná
Ke stažení: teplomery_termostaty_au.pdf
Cena: Na dotaz!
Do košíku

Id: 1458,   ID_Pohoda : E2524,