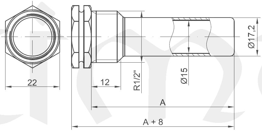
Jímka pro 3čidla 15x17-130mm R1/2", mosaz

jímka je určena až pro tři teplotní čidla o průměru 6mm
- procesní připojení závit R1/2"
- materiál mosaz CuZn40Pb3
- délka jímky A=130mm

Parametry výrobku:

Délka jímky 130 mm
Závit jímky R1/2"
Materiál jímky mosaz
Ke stažení: teplomery_termostaty_au.pdf
Cena: 269 Kč (bez DPH)
Cena: 326 Kč včetně DPH 21 %
Do košíku

Volitelné příslušenství

Id: 15425,   ID_Pohoda : E6056,