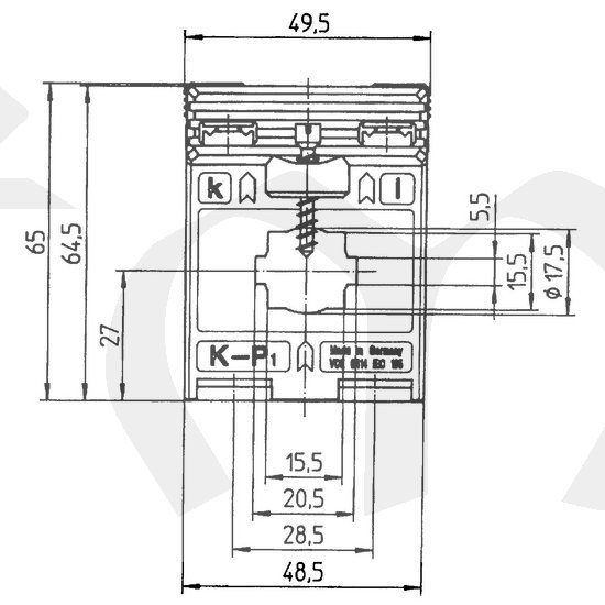
ASK 205.3, 60/5A; 1VA; 1%

Parametry výrobku:

Typ proudového transformátoru ASK 205.3
Primární proud trafa 60 A
Jedna pásovina 20x5 mm
Sekundární proud 5 A
Způsob přípoje, průměr nebo pás 17,5 mm
Třída přesnosti trafa 1 %
Výkon 1 VA
Nadproudové číslo 5
Kód výrobce 2019
Hmotnost trafa 0,2 kg
Odkazy Popis parametrů měřících transformátorů proudu
Nadproudové křivky chyb nízkonapěťových měřících transformátorů proudu a schéma zapojení
Ke stažení: Trafa_EXIMUS_MBS.pdf
Spotreba_vedeni_k_trafu.pdf
Cena: 635 Kč (bez DPH)
Cena: 769 Kč včetně DPH 21 %
Do košíku

Id: 1618,   ID_Pohoda : E6419,