Termostat TS050SR, 3sv, 0..+50°C

Je využitelný pro ovládání i v oblasti klimatizační a větrací techniky. Instalace je díky kompaktnímu designu bezproblémová.

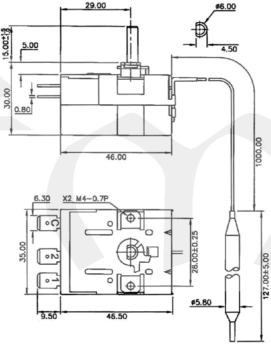
Technické specifikace

  • Délka kapiláry vč. čidla 1127 mm
  • Rozměry čidla (Ø x D) 5,8 x 127 mm
  • Spínací diference 2 ±1 °C
  • Pro klimatizační techniku
rozměry 56 x 35 mm
Způsob montáže Vestavné
Zatížitelnost kontaktů 250 V/16 A
Hystereze 2 ±1°C
Typ termostatu Vestavný termostat
Nastavení teploty 0 - 50 °C

Parametry výrobku:

Regulační rozsah 0..+50 °C
Délka kapiláry [cm], nebo provedení 100
Ke stažení: Termostat_TS050SR_navod.pdf
Cena: 426 Kč (bez DPH)
Cena: 516 Kč včetně DPH 21 %
Do košíku

Id: 15435,   ID_Pohoda : E5459,