Elektroměr B2D-FR4TDI4 0,25-80A přímý MID

Třífázový, digitální elektroměr pro přímé měření:
- přímé měření proudu do 80A
- úředně ověřený elektroměr dle MID pro veškeré fakturační měření
- třída přesnosti 1
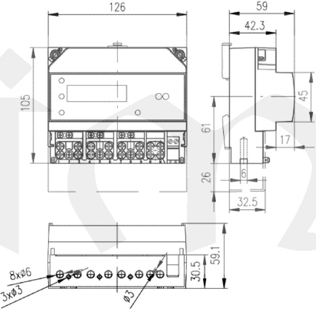
- montáž na lištu DIN
- velikost 7 modulů
- impulsní výstup: ANO
- rozhraní RS485 (protokol IEC dle 62056-21)
- hmotnost 690g
- LCD displej
- měření energie, výkonu, napětí, proudu, účiníku... (A+,A-,R+,R-,P+,P-,Pmax,U, I, cos φ ...)
- historické záznamy vybraných registrů vytvořené na konci kalendářního měsíce
(maximálně 15 měsíčích záznamů (A+, A-, R+, R-, Pmax)
- možnost listování historických hodnot kWh a kW na displeji
- záznamy událostí
(o působení magnetického pole, výpadcích napětí, narušení krytu elektroměru...)
- počet událostí s datem jejich výskytu
- záznam údajů profilů (Load profiles)

Elektroměry umožňují měření energie v sazbách řízených interními hodinami (max. čtyři sazby) nebo ovládaných externě (dvě sazby).
Naměřená data ukládaná do registrů označených dle OBIS kódů jsou zobrazená na LCD v cyklickém nebo krokovacím režimu.
?Během výpadků fázového napětí jsou data zálohována v energeticky nezávislé paměti. Elektroměry je možné parametrizovat a odečítat pomocí optické sondy typu AMOS a software AMsoft dodávaného výrobcem.

Parametry výrobku:

Výrobce elektroměru Applied Meters
EAN 8588005083805
Ke stažení: AMT_B2x-Fx4TxIx_datasheet..pdf
AMT_B2x-Fx4TxIx_datasheet.pdf
Cena: 5383 Kč (bez DPH)
Cena: 6514 Kč včetně DPH 21 %
Do košíku

Volitelné příslušenství

Id: 12619,